關鍵詞:大功率發光二級管;驅動電路;斜坡補償
0 引 言
20世紀90年代以來,隨著氮化鎵基第三代半導體的興起,藍色和白色發光二極管的研制成功,具有高效、節能、環保、壽命長等優點的固體光源L ED發光二極管,真正點燃了綠色照明的光輝,被認為是21世紀最有價值的新光源。但是,大功率LED凈化燈的電學離散性大,容易受溫度的影響,發光二極管導通后,加在LED凈化燈兩端的電壓稍有提高,就會引起流過L ED的電流急劇上升,嚴重時會使L ED長期超過額定電流工作,容易使L ED的半導體芯片燒壞。要控制大功率LED凈化燈的亮度,驅動器必須提供恒定的電流。大功率LED凈化燈恒流驅動常用的有電阻限流、開管變換器、專用芯片等。電阻限流方式控制方法簡單,但是這種方法不能解決由于供電電壓波動引起的光通量輸出變化問題,而且能量損耗大,效率低,不能實現節能的目的。不少半導體廠家推出了大功率LED凈化燈專用驅動芯片,取得了不錯的效果,但是這種芯片價格普遍比較貴。針對現有驅動電路的缺點,該文提出了一種基于UC3843的峰值電流控制的大功率LED凈化燈恒流驅動電路,該電路簡單易用,控制方法簡單,效率高,成本低;并對UC3843的外圍電路進行優化設計,實現了PWM調光控制,避免了模擬調光帶來的色坐標偏移問題。其試驗結果驗證了該驅動電路的可行性。
1 驅動電路構成及設計
大功率L ED是電流型器件,LED凈化燈的亮度隨工作電流的增大而增大,為保證流過每只L ED的電流相同,使每只L ED的亮度均勻,采用L ED串聯。整個電路的結構框圖如圖1所示。電流檢測為PWM控制電路提供反饋,與PWM控制芯片內的誤差放大器的輸出信號進行比較,實現對輸出脈沖占空比的控制,從而穩定流過L ED的電流。PWMD是數字調光脈沖信號輸入,通過調節其占空比可以調節LED凈化燈的亮度,達到調光的目的。
采用的IC芯片UC3843是高性能固定頻率電流模式控制器,芯片有8個引腳,外電路接線簡單,所用元件少,且性能優越,成本低,芯片內部具有可微調的振蕩器(能進行精確的占空比控制) 、溫度補償的參考、高增益誤差放大器、電流取樣比較器。電壓調整率好,頻率響應好,穩定幅度大;具有低啟動電流,帶滯后的欠壓鎖定,工作頻率可達500kHz ,大電流的圖騰柱式輸出,非常適合驅動MOS場效應管。
其內部結構方框圖如圖2所示。

圖1 驅動電路結構框圖

圖2 UC3843內部結構簡化結構框圖
1. 1 驅動主電路設計
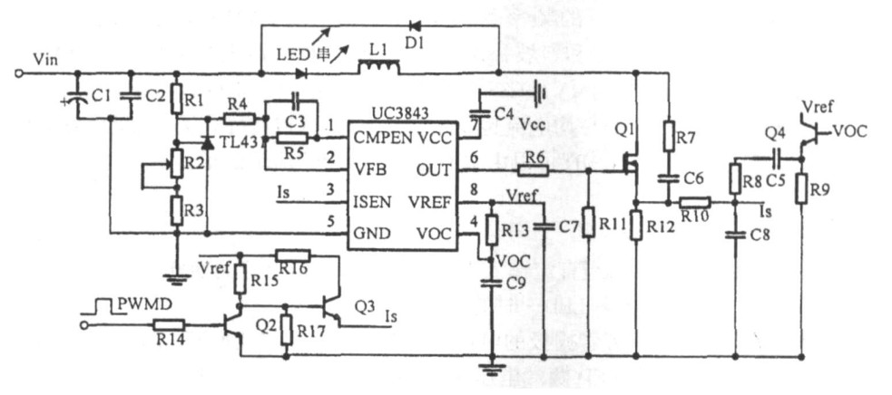
該電路主要由UC3843 ,MOSFET Q1 ,電感L1和大功率L ED串續流二極管D1及檢測電阻R12組成的BUCK型峰值電流控制模式電路,如圖3所示。利用引腳4所接的電阻電容R13和C9確定PWM的鋸齒波振蕩頻率;由R1 ,R2 ,電位器R3TL431 ,R4 ,R5 ,C3和UC3843內部的誤差放大器組成電流檢測反饋的電壓基準與電流檢測信號通過電流檢測比較器比較來控制PWM信號的占空比,限制流過L ED的電流峰值。由此可得流過L ED的電流峰值為:
Ipcak≈Is =(Vpin1- 1. 4V)/3R12(1)
式中,Vpin1為UC3843芯片1腳電壓, Ipcak為流過L ED的電流峰值, Is 為檢測電流峰值。

圖3 驅動電路原理圖
1. 2 斜坡補償電路設計
CCM下電感L1中的電流iL波形如圖4所示,可得:
α=△IL/△I0=D/(1 - D)=m2/m1(2)
式中,Ue 為誤差放大器輸出電壓,m1、- m2為電路中iL的上升和下降斜率, △I0 為某個周期擾動使iL初值產生的增量, △IL為該周期結束時iL的變化量。
可見,要使系統穩定,應有△IL< △I0,所以有D < 0. 5 ;當D > 0. 5時,電路會出現次諧波振蕩,使電路不穩定。消除諧波振蕩的技術是增加斜坡補償,即給Ic 增加一個負斜率的斜坡。增加斜坡補償后,新控制量斜率為- ma。增新的m′1= m1+ ma,新的m′2 = m2- ma,電感電流的波形如圖5所示,式2變為:
α=(m2- ma)/(m1+ ma)(3)
通過設計合理的ma,可以使|α| < 1 ,即系統達到穩定。一般取ma = 0. 75m2。

圖4 CCM模式下波形

圖5 斜坡補償后波形
設計的斜坡補償電路采用CT上的峰峰值電壓信號作為斜坡補償的輸入信號,圖3中斜坡補償網絡原理電路由晶體管Q4,R8 ,R9 ,R10 ,R12 ,C5 ,C8組成,C5 為交流耦合電容,隔離腳4輸出振蕩信號中的直流分量。為減小定時電阻R13和補償網絡之間相互影響,在振蕩器輸出和補償網絡輸入之間增加了一級射極跟隨器。R8和R10組成分壓網絡,在UC3843的腳3獲得斜坡補償信號,同時R10和C8組成尖峰電流吸收器,濾除尖峰干擾信號。斜坡補償信號和電流檢測信號在UC3843的腳3處求和,實現了斜坡補償。
1. 3 調光電路設計
在UC3843內部,電流檢測比較器的反向輸入端被內置的齊納二極管鉗位在1V ,只要芯片腳3上的電壓達到1V ,端6關閉,立即使MOS管Q1關斷。因此可以通過控制腳3的輸入電壓值改變一個周期內流過L ED的平均電流來對L ED進行調光控制。圖3中由R14 ,R15 ,R16 ,R17 ,Q2和Q3組成。為使人眼感覺不到燈光的閃爍,取PWMD信號的頻率為100~200HZ。當PWMD信號為高電平時, Q3 截止,UC3843的3腳的信號為電流檢測信號和斜坡補償信號之和,此時電路正常工作;當PWMD信號為低電平時,Q3 導通,加在3腳處的電壓超過1V ,UC3843的輸出端6立即使MOS管截止。當PWMD信號的占空比變化時,一個周期內流過L ED的平均電流也發生變化,從而L ED輸出的光通量也發生變化,達到控制L ED亮度的目的。實際應用中PWMD可以由具有PWM功能的簡單的單片機產生。
2 試驗結果
對設計出的驅動電路進行測試,當直流輸入為9. 5V ,輸出峰值電流為300mA ,定時電阻R13為10k ,定時電容為1nF ,驅動一只1W大功率L ED時的試驗結果如下:當PWMD引腳接高電平時,開關管柵極的電壓信號波形Vg(下方波形)和R12的電流檢測信號的波形Vs(CH1 ,上方波形)如圖6所示,L ED 兩端電壓Ve波形如圖7所示。實驗結果基本符合理論值。
當PWMD引腳接一頻率為100Hz ,占空比為50 %的脈寬信號時,觀察到L ED的亮度明顯降低,開關管柵極的電壓信號波形(CH1 ,上方波形)和流過限流電阻R12的電流檢測信號的波形(CH2 ,下方波形)如圖8所示。基本符合理論分析的結果,但是調光電路的瞬態響應還不是很理想。

圖6 柵極電壓Vg和電流檢測信號Vs波形

圖7 L ED兩端的電壓Ve波形

圖8 柵極電壓和電流檢測信號波形
3 結 論
采用UC3843設計的大功率L ED驅動電路可以克服因電壓不穩所引起的發光強度的變化,整個電路結構簡單,響應快速,穩流性能好。通過PWM實現了調光控制,基本達到了設計要求。電路還存在不足,調光部分瞬態響應不是很理想,還有待進一步改進,下一步將著重做這方面研究。本電路可應用于太陽能照明系統中,也適用于AC/ DC的照明系統中。